Double-row Ball Water Pump Bearings – Angular Contact

| |
| |
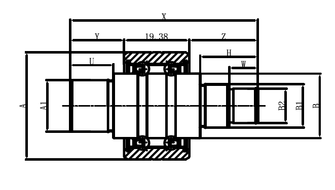
| Bearing No. | Dimensions | Details |
| WD | - | A | B | A1 | B1 | B2 | X | Y | Z | H | U | W |
| |
| |
| |
| DWAB2540077 | 2L9P5203U | 40 | 25.349 | 16.002 | 12.042 | 0 | 77.495 | 16.51 | 41.605 | 34.366 | 13.995 | 0 | Details |
| WAB2540069 | 2L9P5203P | 40 | 25.349 | 18.961 | 15.918 | 11 | 69.012 | 18.009 | 31.623 | 24.359 | 15.494 | 10.49 | Details |
| WAB2540073 | 2L9P5203R | 40 | 25.349 | 18.961 | 15.918 | 13 | 73 | 16.002 | 37.617 | 32.36 | 13.487 | 15.011 | Details |